Мы используем cookie для наилучшего представления нашего сайта. Подробнее об этом в Политике конфиденциальности.
Ок

Каспийск

Ваш город:
Каспийск (Республика Дагестан)?
Нет
Да
Каталог
Каталог Написать в WhatsApp
Мотоэкипировка

Электрика 2-х тактного ПЛМ SEANOVO 5F

Электрика 2-х тактного ПЛМ SEANOVO 5F в Каспийске: актуальный каталог, цены, фото, описание. Купите электрика 2-х тактного плм seanovo 5f в кредит – оформите заявку онлайн за 1 минуту!

Оригинальные запчасти

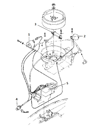
Артикул НАИМЕНОВАНИЕ Кол-во деталей в узле Примечание Наличие Цена Аналоги Фото
1 5F-01.03.05 Высоковольтная катушка зажигания, 5F-01.03.05

В наличии

1

В наличии

4 750

7 790

Купить
2 5F-01.03.02 Сэнсор

Под заказ

1

Под заказ

уточнить

1 420

Купить
3 5F-01.03.03 Катушка зажигания, лодочный мотор 5 л.с. 5F-01.03.03

В наличии

1

В наличии

520

3 350

Купить
4 15F-04.07.03 15F-04.07.03 Выключатель аварийной остановки

В наличии

1

В наличии

2 100

3 760

показать аналоги Купить
5 5F-01.03.07 Коммутатор

Под заказ

1

Под заказ

уточнить

7 650

Купить

Нулевая цена не означает отсутствие товара. Оформите заказ, и менеджер сообщит вам цену и наличие товара, предварительно запросив их у поставщика

Главная Магазины
Корзина0
Профиль