Мы используем cookie для наилучшего представления нашего сайта. Подробнее об этом в Политике конфиденциальности.
Ок

Каспийск

Ваш город:
Каспийск (Республика Дагестан)?
Нет
Да
Каталог
Каталог Написать в WhatsApp
Мотоэкипировка

Электросистема (часть 2) 2-Х ТАКТНОГО ПЛМ TITAN TP30AMHS

Электросистема (часть 2) 2-Х ТАКТНОГО ПЛМ TITAN TP30AMHS в Каспийске: актуальный каталог, цены, фото, описание. Купите электросистема (часть 2) 2-х тактного плм titan tp30amhs в кредит – оформите заявку онлайн за 1 минуту!

Оригинальные запчасти

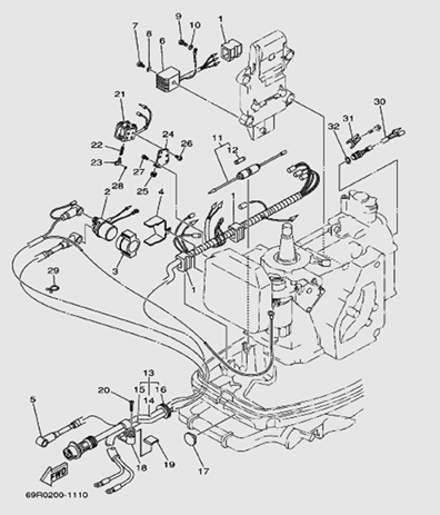
Артикул НАИМЕНОВАНИЕ Кол-во деталей в узле Примечание Наличие Цена Аналоги Фото
1 372-09031W Фиксатор жгута проводов

Под заказ

N/A

Под заказ

уточнить

Купить
2 PNFM40E-09018 Реле стартера

Под заказ

N/A

Под заказ

уточнить

Купить
3 PNFM40E-09021 Корпус реле стартера

Под заказ

N/A

Под заказ

уточнить

Купить
4 372-09034W Фиксатор держателя реле

Под заказ

N/A

Под заказ

уточнить

Купить
5 372-09035W Вывод провода

Под заказ

N/A

Под заказ

уточнить

Купить
6 372-09036W Выпрямитель в сборе

Под заказ

N/A

Под заказ

уточнить

Купить
7 372-09037/38W Винт с прокладкой М5*25

Под заказ

N/A

Под заказ

уточнить

Купить
8 372-09039/40W Болт с шайбой М6*12

Под заказ

N/A

Под заказ

уточнить

Купить
9 PNFM40E-09025 Предохранитель 10А

Под заказ

N/A

Под заказ

уточнить

Купить
10 372-09050W Жгут проводов

Под заказ

N/A

Под заказ

уточнить

Купить
11 372-09051W Жгут проводов

Под заказ

N/A

Под заказ

уточнить

Купить
12 372-09053W Держатель проводов

Под заказ

N/A

Под заказ

уточнить

Купить
13 372-09054W Заглушка

Под заказ

N/A

Под заказ

уточнить

Купить
14 372-09047W Хомут

Под заказ

N/A

Под заказ

уточнить

Купить
15 372-09048W Защелка

Под заказ

N/A

Под заказ

уточнить

Купить
16 372-09049W Винт 5,5*21

Под заказ

N/A

Под заказ

уточнить

Купить
17 PNFM40E-09041 Соленойд подсоса, катушка

Под заказ

N/A

Под заказ

уточнить

Купить
18 PNFM40E-09042 Шток соленойда

Под заказ

N/A

Под заказ

уточнить

Купить
19 PNFM40E-09046 Наконечник штока соленойда

Под заказ

N/A

Под заказ

уточнить

Купить
20 372-09058W Держатель катушки

Под заказ

N/A

Под заказ

уточнить

Купить
21 PNFM40E-09044 Шайба штока соленоида

Под заказ

N/A

Под заказ

уточнить

Купить
22 PNFM40E-21036 Винт М4*6

Под заказ

N/A

Под заказ

уточнить

Купить
23 372-08019 Винт М5*12

Под заказ

N/A

Под заказ

уточнить

Купить
24 PNFM40E-09049 Кольцо уплотнительное

Под заказ

N/A

Под заказ

уточнить

Купить
25 672-09019 Хомут

Под заказ

N/A

Под заказ

уточнить

Купить
26 PNFM40E-09015 Термодатчик

Под заказ

N/A

Под заказ

уточнить

Купить
27 372-09064W Держатель

Под заказ

N/A

Под заказ

уточнить

Купить
28 372-09065W Кольцо сопоргое 17

Под заказ

N/A

Под заказ

уточнить

Купить

Нулевая цена не означает отсутствие товара. Оформите заказ, и менеджер сообщит вам цену и наличие товара, предварительно запросив их у поставщика

Главная Магазины
Корзина0
Профиль