Мы используем cookie для наилучшего представления нашего сайта. Подробнее об этом в Политике конфиденциальности.
Ок

Каспийск

Ваш город:
Каспийск (Республика Дагестан)?
Нет
Да
Каталог
Каталог Написать в WhatsApp
Мотоэкипировка

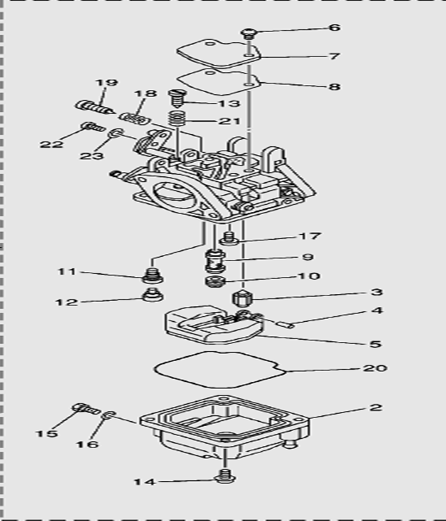
Карбюратор 2-Х ТАКТНОГО ПЛМ TITAN TP30AMHS

Карбюратор 2-Х ТАКТНОГО ПЛМ TITAN TP30AMHS в Каспийске: актуальный каталог, цены, фото, описание. Купите карбюратор 2-х тактного плм titan tp30amhs в кредит – оформите заявку онлайн за 1 минуту!

Оригинальные запчасти

Артикул НАИМЕНОВАНИЕ Кол-во деталей в узле Примечание Наличие Цена Аналоги Фото
1 372-05001 Карбюратор

Под заказ

N/A

Под заказ

уточнить

Купить

Нулевая цена не означает отсутствие товара. Оформите заказ, и менеджер сообщит вам цену и наличие товара, предварительно запросив их у поставщика

Главная Магазины
Корзина0
Профиль