Мы используем cookie для наилучшего представления нашего сайта. Подробнее об этом в Политике конфиденциальности.
Ок

Каспийск

Ваш город:
Каспийск (Республика Дагестан)?
Нет
Да
Каталог
Каталог Написать в WhatsApp
Мотоэкипировка

Румпель 2-Х ТАКТНОГО ПЛМ TITAN TP3AMHS

Румпель 2-Х ТАКТНОГО ПЛМ TITAN TP3AMHS в Каспийске: актуальный каталог, цены, фото, описание. Купите румпель 2-х тактного плм titan tp3amhs в кредит – оформите заявку онлайн за 1 минуту!

Оригинальные запчасти

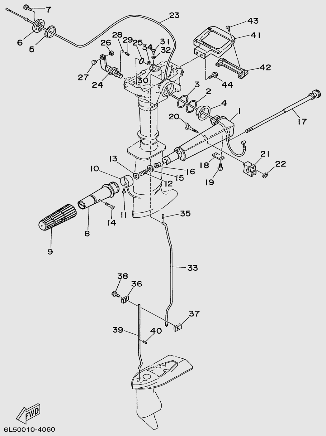
Артикул НАИМЕНОВАНИЕ Кол-во деталей в узле Примечание Наличие Цена Аналоги Фото
1 3MHS-11001 Корпус румпеля

Под заказ

1

Под заказ

уточнить

Купить
2 15FMH-11003 Шайба румпеля волнистая

Под заказ

1

Под заказ

уточнить

Купить
3 3MHS-11003 Шайба румпеля

Под заказ

1

Под заказ

уточнить

Купить
4 3MHS-11004 Втулка румпеля

Под заказ

1

Под заказ

уточнить

Купить
5 3MHS-11005 Втулка румпеля

Под заказ

1

Под заказ

уточнить

Купить
6 15FMH-11006 Крышка румпеля

Под заказ

1

Под заказ

уточнить

Купить
7 15FMH-11008 Гайка самоконтрящая M8-S12

Под заказ

1

Под заказ

уточнить

Купить
8 15FMH-11013 Втулка ручки румпеля

Под заказ

1

Под заказ

уточнить

Купить
9 15FMH-11016 Ручка резиновая

Под заказ

1

Под заказ

уточнить

Купить
10 5MHS-09016 Индикатор

Под заказ

1

Под заказ

уточнить

Купить
11 15FMH-11015 Заклепка

Под заказ

1

Под заказ

уточнить

Купить
12 15FMH-11019 Пружина компрессионная

Под заказ

1

Под заказ

уточнить

Купить
13 15FMH-11018 Шайба

Под заказ

2

Под заказ

уточнить

Купить
14 15FMH-11017 Винт втулки румпеля М5*25

Под заказ

1

Под заказ

уточнить

Купить
15 15FMH-11020 Втулка ручки газа

Под заказ

1

Под заказ

уточнить

Купить
16 15FMH-11021 Вал дроссельной заслонки

Под заказ

1

Под заказ

уточнить

Купить
17 15FMH-11023 Фиксатор вала 31,5х14,5х1,5

Под заказ

1

Под заказ

уточнить

Купить
18 15FMH-11024 Винт M5х10

Под заказ

2

Под заказ

уточнить

Купить
19 15FMH-11009 Болт регулировки зажима румпеля

Под заказ

1

Под заказ

уточнить

Купить
20 15FMH-11011 Направляющая оси румпеля

Под заказ

1

Под заказ

уточнить

Купить
21 15FMH-11012 Штифт 1,6*12

Под заказ

1

Под заказ

уточнить

Купить
22 3MHS-11023 Трос газа

Под заказ

1

Под заказ

уточнить

Купить
23 3MHS-11024 Ручка переключения передач

Под заказ

1

Под заказ

уточнить

Купить
24 5MHS-09026 Резин. кольцо ручки перекл.передач

Под заказ

1

Под заказ

уточнить

Купить
25 3MHS-11028 Шарик

Под заказ

1

Под заказ

уточнить

Купить
26 3MHS-11029 Пружина

Под заказ

1

Под заказ

уточнить

Купить
27 3MHS-11030 Рычаг переключения передач

Под заказ

1

Под заказ

уточнить

Купить
28 3MHS-11031 Болт

Под заказ

1

Под заказ

уточнить

Купить
29 3MHS-11032 Шайба

Под заказ

1

Под заказ

уточнить

Купить
30 3MHS-11033 Тяга переключения передач верхняя

Под заказ

1

Под заказ

уточнить

Купить
31 3MHS-11034 Шайба

Под заказ

1

Под заказ

уточнить

Купить
32 3MHS-11035 Штифт

Под заказ

1

Под заказ

уточнить

Купить
33 5MHS-09038 Пластина муфты тяг пп

Под заказ

1

Под заказ

уточнить

Купить
34 5MHS-09039 Пластина муфты тяг пп

Под заказ

1

Под заказ

уточнить

Купить
35 3MHS-11038 Болт

Под заказ

1

Под заказ

уточнить

Купить
36 3MHS-11039 Тяга пп нижняя

Под заказ

1

Под заказ

уточнить

Купить
37 3MHS-11040 Штифт

Под заказ

1

Под заказ

уточнить

Купить
38 3MHS-11041 Ручка для переноски

Под заказ

1

Под заказ

уточнить

Купить
39 3MHS-11042 Накладка на ручку для переноски

Под заказ

1

Под заказ

уточнить

Купить
40 3MHS-11044 Болт с шайбой

Под заказ

2

Под заказ

уточнить

Купить

Нулевая цена не означает отсутствие товара. Оформите заказ, и менеджер сообщит вам цену и наличие товара, предварительно запросив их у поставщика

Главная Магазины
Корзина0
Профиль