Мы используем cookie для наилучшего представления нашего сайта. Подробнее об этом в Политике конфиденциальности.
Ок

Каспийск

Ваш город:
Каспийск (Республика Дагестан)?
Нет
Да
Каталог
Каталог Написать в WhatsApp
Мотоэкипировка

Электросистема (часть 2) 2-Х ТАКТНОГО ПЛМ TITAN TP40AERTS

Электросистема (часть 2) 2-Х ТАКТНОГО ПЛМ TITAN TP40AERTS в Каспийске: актуальный каталог, цены, фото, описание. Купите электросистема (часть 2) 2-х тактного плм titan tp40aerts в кредит – оформите заявку онлайн за 1 минуту!

Оригинальные запчасти

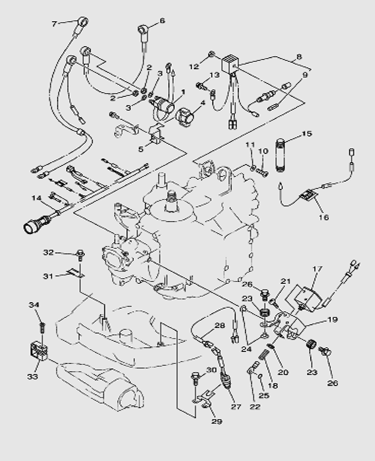
Артикул НАИМЕНОВАНИЕ Кол-во деталей в узле Примечание Наличие Цена Аналоги Фото
1 PNFM40E-09018 Реле стартера

Под заказ

1

Под заказ

уточнить

Купить
2 PNFM40E-09019 Гайка реле стартера

Под заказ

1

Под заказ

уточнить

Купить
3 PNFM40E-09020 Шайба реле стартера

Под заказ

1

Под заказ

уточнить

Купить
4 PNFM40E-09021 Корпус реле стартера

Под заказ

1

Под заказ

уточнить

Купить
5 PNFM40E-09021-1 Кронштейн реле стартера

Под заказ

1

Под заказ

уточнить

Купить
6 PNFM40E-09022 Клемма

Под заказ

1

Под заказ

уточнить

Купить
7 PNFM40E-09022-1 Клемма

Под заказ

1

Под заказ

уточнить

Купить
8 PNFM40E-09024 Выпрямитель в сборе

Под заказ

1

Под заказ

уточнить

Купить
9 PNFM40E-09025 Предохранитель 10А

Под заказ

1

Под заказ

уточнить

Купить
10 PNFM40E-09026 Винт с шайбой

Под заказ

1

Под заказ

уточнить

Купить
11 PNFM40E-09027 Гайка

Под заказ

1

Под заказ

уточнить

Купить
12 PNFM40E-09027-1 Болт

Под заказ

1

Под заказ

уточнить

Купить
13 PNFM40E-09030 Жгут проводов в сборе 7 pin

Под заказ

1

Под заказ

уточнить

Купить
14 PNFM40E-09056 Трубка 13MM

Под заказ

1

Под заказ

уточнить

Купить
15 PNWH40-09055-1 Соединитель проводов

Под заказ

1

Под заказ

уточнить

Купить
16 PNFM40E-09041 Соленойд подсоса, катушка

Под заказ

1

Под заказ

уточнить

Купить
17 PNFM40E-09041-a Соленойд подсоса, катушка (в сборе)

Под заказ

1

Под заказ

уточнить

Купить
18 PNFM40E-09042 Шток соленойда

Под заказ

1

Под заказ

уточнить

Купить
19 PNFM40E-09043 Кронштейн соленойда

Под заказ

1

Под заказ

уточнить

Купить
20 PNFM40E-09044 Шайба штока соленоида

Под заказ

1

Под заказ

уточнить

Купить
21 PNFM40E-09045 Винт

Под заказ

1

Под заказ

уточнить

Купить
22 PNFM40E-09046 Наконечник штока соленойда

Под заказ

1

Под заказ

уточнить

Купить
23 PNFM40E-09047 Шайба

Под заказ

1

Под заказ

уточнить

Купить
24 PNFM40E-09048 Втулка

Под заказ

1

Под заказ

уточнить

Купить
25 PNFM40E-09049 Кольцо уплотнительное

Под заказ

1

Под заказ

уточнить

Купить
26 PNFM40E-09050 Болт с шайбой

Под заказ

1

Под заказ

уточнить

Купить
27 PNWH40-09051 Переключатель нейтрали

Под заказ

1

Под заказ

уточнить

Купить
28 PNWH40-09052 Провод

Под заказ

1

Под заказ

уточнить

Купить
29 PNWH40-09053 Опора переключателя

Под заказ

1

Под заказ

уточнить

Купить
30 PNWH40-09054 Болт

Под заказ

1

Под заказ

уточнить

Купить
31 PNFM40E-09028 Защелка

Под заказ

1

Под заказ

уточнить

Купить
32 PNFM40E-09029 Болт

Под заказ

1

Под заказ

уточнить

Купить

Нулевая цена не означает отсутствие товара. Оформите заказ, и менеджер сообщит вам цену и наличие товара, предварительно запросив их у поставщика

Главная Магазины
Корзина0
Профиль