Мы используем cookie для наилучшего представления нашего сайта. Подробнее об этом в Политике конфиденциальности.
Ок

Каспийск

Ваш город:
Каспийск (Республика Дагестан)?
Нет
Да
Каталог
Каталог Написать в WhatsApp
Мотоэкипировка

Генератор 4-Х ТАКТНОГО ПЛМ TITAN FTP20AMHS

Генератор 4-Х ТАКТНОГО ПЛМ TITAN FTP20AMHS в Каспийске: актуальный каталог, цены, фото, описание. Купите генератор 4-х тактного плм titan ftp20amhs в кредит – оформите заявку онлайн за 1 минуту!

Оригинальные запчасти

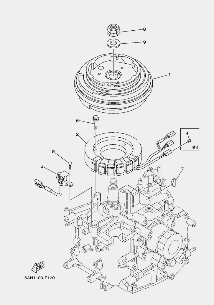
Артикул НАИМЕНОВАНИЕ Кол-во деталей в узле Примечание Наличие Цена Аналоги Фото
1 963-11001E Ротор в сборе электрозапуск

Под заказ

1

Под заказ

уточнить

Купить
2 963-11001 Ротор в сборе

Под заказ

1

Под заказ

уточнить

Купить
3 963-11002 Катушка генераторная в сборе

Под заказ

1

Под заказ

уточнить

Купить
4 963-11003 Катушка импульсная

Под заказ

1

Под заказ

уточнить

Купить
5 963-11004 Заглушка

Под заказ

2

Под заказ

уточнить

Купить
6 963-11005 Болт M5×12

Под заказ

2

Под заказ

уточнить

Купить
7 3MHS-01022 Болт M6×30

Под заказ

3

Под заказ

уточнить

Купить
8 963-11007 Шпонка ротора

Под заказ

1

Под заказ

уточнить

Купить
9 963-11008 Гайка маховика

Под заказ

1

Под заказ

уточнить

Купить
10 963-11009 Прокладка гайки маховика

Под заказ

1

Под заказ

уточнить

Купить

Нулевая цена не означает отсутствие товара. Оформите заказ, и менеджер сообщит вам цену и наличие товара, предварительно запросив их у поставщика

Главная Магазины
Корзина0
Профиль