Мы используем cookie для наилучшего представления нашего сайта. Подробнее об этом в Политике конфиденциальности.
Ок

Каспийск

Ваш город:
Каспийск (Республика Дагестан)?
Нет
Да
Каталог
Каталог Написать в WhatsApp
Мотоэкипировка

Двигатель 4-Х ТАКТНОГО ПЛМ TITAN FTP20AWHS

Двигатель 4-Х ТАКТНОГО ПЛМ TITAN FTP20AWHS в Каспийске: актуальный каталог, цены, фото, описание. Купите двигатель 4-х тактного плм titan ftp20awhs в кредит – оформите заявку онлайн за 1 минуту!

Оригинальные запчасти

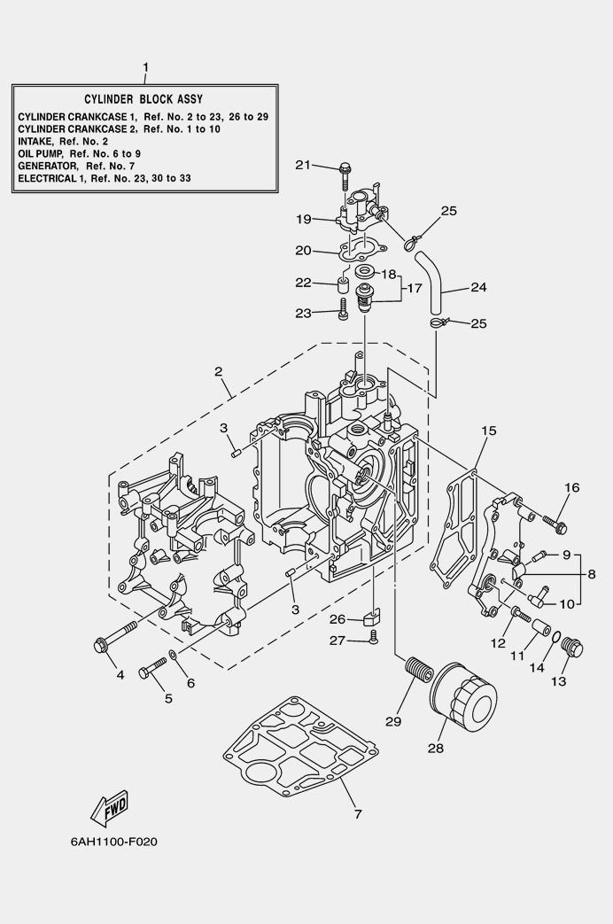
Артикул НАИМЕНОВАНИЕ Кол-во деталей в узле Примечание Наличие Цена Аналоги Фото
1 963-02001 Двигатель в сборе

Под заказ

1

Под заказ

уточнить

Купить
2 963-02002 Блок цилиндров

Под заказ

1

Под заказ

уточнить

Купить
3 15FMH-02011 Штифт

Под заказ

4

Под заказ

уточнить

Купить
4 963-02004 Болт с шайбой М8*65

Под заказ

4

Под заказ

уточнить

Купить
5 963-02005/6 Болт с шайбой M6×40

Под заказ

6

Под заказ

уточнить

Купить
6 963-02007 Прокладка под двигатель

Под заказ

1

Под заказ

уточнить

Купить
7 963-02008 Крышка наружняя выпуска

Под заказ

1

Под заказ

уточнить

Купить
8 963-02009 Соединитель трубки

Под заказ

1

Под заказ

уточнить

Купить
9 963-02010 Штуцер

Под заказ

1

Под заказ

уточнить

Купить
10 963-02011 Втулка

Под заказ

1

Под заказ

уточнить

Купить
11 963-02012 Винт

Под заказ

1

Под заказ

уточнить

Купить
12 963-02013 Заглушка анода M16×1.5-10.5

Под заказ

1

Под заказ

уточнить

Купить
13 963-02014 Кольцо заглушки анода

Под заказ

1

Под заказ

уточнить

Купить
14 963-02015 Прокладка крышки выпуска

Под заказ

1

Под заказ

уточнить

Купить
15 963-02016 Болт с шайбой M6×25

Под заказ

7

Под заказ

уточнить

Купить
16 15FMH-02023 Термостат T15P (2-22)

В наличии

1

В наличии

2 340

3 580

Купить
17 15FMH-02023-1 Шайба термостата T15P (2-23)

В наличии

1

В наличии

240

380

Купить
18 963-02019 Крышка корпуса термостата

Под заказ

1

Под заказ

уточнить

Купить
19 963-04009 Нипель

Под заказ

1

Под заказ

уточнить

Купить
20 963-02020 Прокладка крышки термостата

Под заказ

1

Под заказ

уточнить

Купить
21 963-02011 Втулка

Под заказ

1

Под заказ

уточнить

Купить
22 963-02012 Винт

Под заказ

1

Под заказ

уточнить

Купить
23 963-02024 Шланг

Под заказ

1

Под заказ

уточнить

Купить
24 963-02026 Анод

Под заказ

1

Под заказ

уточнить

Купить
25 963-02027 Винт M4×16

Под заказ

1

Под заказ

уточнить

Купить
26 963-02028 Фильтр маслянный

Под заказ

1

Под заказ

уточнить

Купить
27 963-02029 Болт 20х35

Под заказ

1

Под заказ

уточнить

Купить

Нулевая цена не означает отсутствие товара. Оформите заказ, и менеджер сообщит вам цену и наличие товара, предварительно запросив их у поставщика

Главная Магазины
Корзина0
Профиль