Мы используем cookie для наилучшего представления нашего сайта. Подробнее об этом в Политике конфиденциальности.
Ок

Каспийск

Ваш город:
Каспийск (Республика Дагестан)?
Нет
Да
Каталог
Каталог Написать в WhatsApp
Мотоэкипировка

Редуктор (часть 1) 4-Х ТАКТНОГО ПЛМ TITAN FTP20AWHS

Редуктор (часть 1) 4-Х ТАКТНОГО ПЛМ TITAN FTP20AWHS в Каспийске: актуальный каталог, цены, фото, описание. Купите редуктор (часть 1) 4-х тактного плм titan ftp20awhs в кредит – оформите заявку онлайн за 1 минуту!

Оригинальные запчасти

Артикул НАИМЕНОВАНИЕ Кол-во деталей в узле Примечание Наличие Цена Аналоги Фото
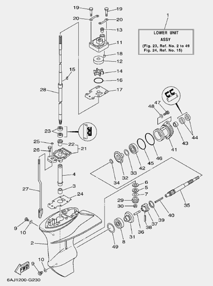
1 963-23001 Редуктор в сборе

Под заказ

1

Под заказ

уточнить

Купить
2 963-23002 Корпус редуктора

Под заказ

1

Под заказ

уточнить

Купить
3 15FMH-16003 Подшипник игольчатый

Под заказ

1

Под заказ

уточнить

Купить
4 15FMH-16004 Втулка вертикального вала

Под заказ

1

Под заказ

уточнить

Купить
5 15FMH-16005-1 Шайба регулировочная 1,13 mm

Под заказ

1

Под заказ

уточнить

Купить
6 15FMH-16005-2 Подшипник упорный игольчатый

Под заказ

1

Под заказ

уточнить

Купить
7 15FMH-16006 Шайба

Под заказ

1

Под заказ

уточнить

Купить
8 15FMH-16007 Подшипник шестерни перед.хода Т15 (Pioner)

Под заказ

1

Под заказ

уточнить

1 270

Купить
9 15FMH-16008 Болт маслосливного отверстия

Под заказ

2

Под заказ

уточнить

Купить
10 15FMH-16009 Прокладка маслосливного болта

Под заказ

2

Под заказ

уточнить

Купить
11 963-23011 Корпус помпы

Под заказ

1

Под заказ

уточнить

Купить
12 15FMH-16011 Стакан помпы, № 12, к мотору 9.9 -15 л.с.

Под заказ

1

Под заказ

уточнить

650

Купить
13 963-23013 Сальник корпуса помпы

Под заказ

1

Под заказ

уточнить

Купить
14 15FMH-16013 Крыльчатка Водяного Насоса Sea Pro ОТН 9.9-F15 Yamaha: 9,9 HP (1996-2004), 15 HP (1996-2004), F15 (1

Под заказ

1

Под заказ

уточнить

2 600

показать аналоги Купить
15 15FMH-16015 Шпонка помпы

Под заказ

1

Под заказ

уточнить

230

Купить
16 963-23016 Кольцо уплотнительное корпуса помпы

Под заказ

1

Под заказ

уточнить

Купить
17 963-23017 Зеркало помпы

Под заказ

1

Под заказ

уточнить

Купить
18 963-21015 Штифт направляющий 40*12

Под заказ

2

Под заказ

уточнить

Купить
19 15FMH-16020 Прижимная пластина корпуса помпы

Под заказ

2

Под заказ

уточнить

Купить
20 963-23021 Корпус подшипника

Под заказ

1

Под заказ

уточнить

Купить
21 963-23022 Втулка корпуса подшипника

Под заказ

1

Под заказ

уточнить

Купить
22 963-23023 Сальник вертикального вала

Под заказ

2

Под заказ

уточнить

Купить
23 963-23024 Прокладка корпуса подшипника

Под заказ

1

Под заказ

уточнить

Купить
24 963-23025 Кольцо уплотнительное

Под заказ

1

Под заказ

уточнить

Купить
25 963-23026 Болт M8×25

Под заказ

2

Под заказ

уточнить

Купить
26 963-23027 Тяга переключения передач

Под заказ

1

Под заказ

уточнить

Купить
27 963-23028S Вал вертикальный

Под заказ

1

Под заказ

уточнить

Купить
28 15FMH-16034 Шестерня ведущая

Под заказ

1

Под заказ

уточнить

Купить
29 15FMH-16035 Гайка ведущей шестерни

Под заказ

1

Под заказ

уточнить

Купить
30 15FMH-16036 Шестерня передней передачи 15 (Pioner) SeaPro

Под заказ

1

Под заказ

уточнить

4 990

Купить
31 15FMH-16038 Шестерня задней передачи

Под заказ

1

Под заказ

уточнить

Купить
32 15FMH-16039 Шайба регулировочная 0.05мм

Под заказ

1

Под заказ

уточнить

Купить
33 15FMH-16039-2 Шайба регулировочная 0.10mm

Под заказ

1

Под заказ

уточнить

Купить
34 15FMH-16039-3 Шайба регулировочная 0.20mm

Под заказ

1

Под заказ

уточнить

Купить
35 15FMH-16040 Шайба 22*17,2*1,5

Под заказ

1

Под заказ

уточнить

Купить
36 15FMH-16041 Вал винта

Под заказ

1

Под заказ

уточнить

Купить
37 15FMH-16042 Плунжер

Под заказ

1

Под заказ

уточнить

Купить
38 15FMH-16043 Муфта сцепления

Под заказ

1

Под заказ

уточнить

Купить
39 15FMH-16044 Штифт муфты п/п

Под заказ

1

Под заказ

уточнить

Купить
40 15FMH-16045 Кольцо муфты пружинное

Под заказ

1

Под заказ

уточнить

Купить
41 15FMH-16046 Пружина компрессионная

Под заказ

1

Под заказ

уточнить

Купить
42 15FMH-16047 Стакан редуктора

Под заказ

1

Под заказ

уточнить

Купить
43 15FMH-16048 Подшипник шестерни задней передачи 6005

Под заказ

1

Под заказ

уточнить

Купить
44 15FMH-16049 Подшипник вала винта

Под заказ

1

Под заказ

уточнить

Купить
45 15FMH-16050 Сальник горизонтального вала 17х30х6

Под заказ

2

Под заказ

уточнить

Купить
46 15FMH-16051 Кольцо малое стакана редуктора

Под заказ

1

Под заказ

уточнить

Купить
47 15FMH-16052 Кольцо большое стакана редуктора

Под заказ

1

Под заказ

уточнить

Купить
48 15FMH-16054 Шайба регулировочная M6×20

Под заказ

1

Под заказ

уточнить

Купить
49 15FMH-16054-1 Шайба регулировочная 0.05mm

Под заказ

1

Под заказ

уточнить

Купить
50 15FMH-16054-2 Шайба регулировочная 0.10mm

Под заказ

1

Под заказ

уточнить

Купить
51 15FMH-16054-3 Шайба регулировочная 0.12mm

Под заказ

1

Под заказ

уточнить

Купить
52 15FMH-16054-4 Шайба регулировочная 0.15mm

Под заказ

1

Под заказ

уточнить

Купить
53 15FMH-16054-5 Шайба регулировочная 0.18mm

Под заказ

1

Под заказ

уточнить

Купить
54 15FMH-16054-6 Шайба регулировочная 0.30mm

Под заказ

1

Под заказ

уточнить

Купить
55 15FMH-16054-7 Шайба регулировочная 0.40mm

Под заказ

1

Под заказ

уточнить

Купить
56 15FMH-16054-8 Шайба регулировочная 0.50mm

Под заказ

1

Под заказ

уточнить

Купить

Нулевая цена не означает отсутствие товара. Оформите заказ, и менеджер сообщит вам цену и наличие товара, предварительно запросив их у поставщика

Главная Магазины
Корзина0
Профиль