Мы используем cookie для наилучшего представления нашего сайта. Подробнее об этом в Политике конфиденциальности.
Ок

Каспийск

Ваш город:
Каспийск (Республика Дагестан)?
Нет
Да
Каталог
Каталог Написать в WhatsApp
Мотоэкипировка

Рулевое управление 4-Х ТАКТНОГО ПЛМ TITAN FTP20AWRS

Рулевое управление 4-Х ТАКТНОГО ПЛМ TITAN FTP20AWRS в Каспийске: актуальный каталог, цены, фото, описание. Купите рулевое управление 4-х тактного плм titan ftp20awrs в кредит – оформите заявку онлайн за 1 минуту!

Оригинальные запчасти

Артикул НАИМЕНОВАНИЕ Кол-во деталей в узле Примечание Наличие Цена Аналоги Фото
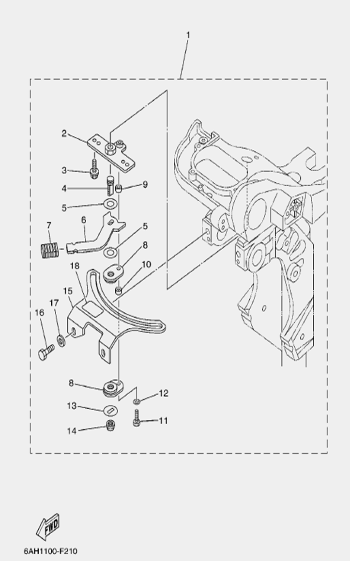
1 963-17001 Рулевое управление в сборе

Под заказ

1

Под заказ

уточнить

Купить
2 963-17002 Пластина

Под заказ

1

Под заказ

уточнить

Купить
3 963-01008 Болт

Под заказ

2

Под заказ

уточнить

Купить
4 963-17004 Вал стопора

Под заказ

1

Под заказ

уточнить

Купить
5 963-17005 Шайба

Под заказ

2

Под заказ

уточнить

Купить
6 963-17006 Рычаг блокировки

Под заказ

1

Под заказ

уточнить

Купить
7 963-17007 Ручка рычага блокировки

Под заказ

1

Под заказ

уточнить

Купить
8 963-17008 Плата

Под заказ

2

Под заказ

уточнить

Купить
9 963-17009 Втулка

Под заказ

1

Под заказ

уточнить

Купить
10 963-17010 Втулка

Под заказ

1

Под заказ

уточнить

Купить
11 5MHS-09006 Болт с шайбой M5×20

Под заказ

1

Под заказ

уточнить

Купить
12 963-17013 Шайба

Под заказ

1

Под заказ

уточнить

Купить
13 963-17014 Гайка

Под заказ

1

Под заказ

уточнить

Купить
14 963-17015 Плата крепления рулевого управления

Под заказ

1

Под заказ

уточнить

Купить
15 963-17016/17 Болт с шайбой M8×16

Под заказ

2

Под заказ

уточнить

Купить
16 963-17018 Наклейка

Под заказ

1

Под заказ

уточнить

Купить

Нулевая цена не означает отсутствие товара. Оформите заказ, и менеджер сообщит вам цену и наличие товара, предварительно запросив их у поставщика

Главная Магазины
Корзина0
Профиль