Мы используем cookie для наилучшего представления нашего сайта. Подробнее об этом в Политике конфиденциальности.
Ок

Каспийск

Ваш город:
Каспийск (Республика Дагестан)?
Нет
Да
Каталог
Каталог Написать в WhatsApp
Мотоэкипировка

Двигатель 4-Х ТАКТНОГО ПЛМ YAMABISI F2.5BMS

Двигатель 4-Х ТАКТНОГО ПЛМ YAMABISI F2.5BMS в Каспийске: актуальный каталог, цены, фото, описание. Купите двигатель 4-х тактного плм yamabisi f2.5bms в кредит – оформите заявку онлайн за 1 минуту!

Оригинальные запчасти

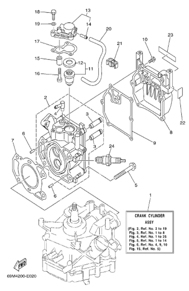
Артикул НАИМЕНОВАНИЕ Кол-во деталей в узле Примечание Наличие Цена Аналоги Фото
1 154-02001 Двигатель в сборе

Под заказ

1

Под заказ

уточнить

Купить
2 154-02002 Головка блока цилиндров

Под заказ

1

Под заказ

уточнить

Купить
3 15FMH-02016 Штуцер

Под заказ

1

Под заказ

уточнить

Купить
4 154-02007 Прокладка ГБЦ

Под заказ

1

Под заказ

уточнить

Купить
5 154-02008 Крышка ГБЦ

Под заказ

1

Под заказ

уточнить

Купить
6 154-02009 Прокладка крышки ГБЦ

Под заказ

1

Под заказ

уточнить

Купить
7 PNFM40E-09007 Болт

Под заказ

6

Под заказ

уточнить

Купить
8 15FMH-02023 Термостат T15P (2-22)

В наличии

1

В наличии

2 340

3 580

Купить
9 15FMH-02023-1 Шайба термостата T15P (2-23)

В наличии

1

В наличии

240

380

Купить
10 154-02013 Крышка термостата

Под заказ

1

Под заказ

уточнить

Купить
11 562-02014 Штуцер φ6×23

Под заказ

1

Под заказ

уточнить

Купить
12 963-02011 Втулка

Под заказ

1

Под заказ

уточнить

Купить
13 963-02012 Винт

Под заказ

1

Под заказ

уточнить

Купить
14 154-02020 Шланг φ9×φ5×250

Под заказ

1

Под заказ

уточнить

Купить
15 963-09036 Держатель шланга

Под заказ

1

Под заказ

уточнить

Купить
16 154-02024 Свеча зажигания NGK BR6HS

Под заказ

1

Под заказ

уточнить

Купить

Нулевая цена не означает отсутствие товара. Оформите заказ, и менеджер сообщит вам цену и наличие товара, предварительно запросив их у поставщика

Главная Магазины
Корзина0
Профиль