Мы используем cookie для наилучшего представления нашего сайта. Подробнее об этом в Политике конфиденциальности.
Ок

Каспийск

Ваш город:
Каспийск (Республика Дагестан)?
Нет
Да
Каталог
Каталог Написать в WhatsApp
Мотоэкипировка

Редуктор лодочного мотора YAMAHA 25ВMH · 2005 — 2014

Редуктор лодочного мотора YAMAHA 25ВMH · 2005 — 2014 в Каспийске: актуальный каталог, цены, фото, описание. Купите редуктор лодочного мотора yamaha 25вmh · 2005 — 2014 в кредит – оформите заявку онлайн за 1 минуту!

Оригинальные запчасти

Артикул НАИМЕНОВАНИЕ Кол-во деталей в узле Примечание Наличие Цена Аналоги Фото
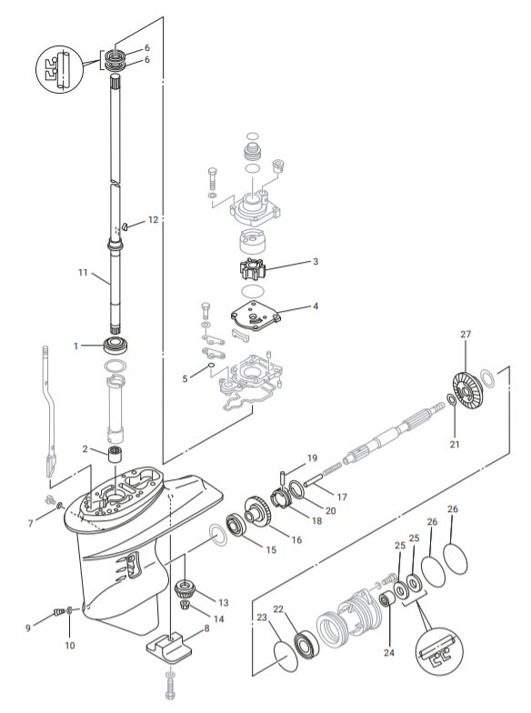
1 SK93332-000W5 Подшипник ведущего вала Skipper; Yamaha

Под заказ

1

Под заказ

уточнить

Купить
2 SK93315-220V7 Подшипник ведущего вала Skipper; Yamaha

Под заказ

1

Под заказ

уточнить

Купить
3 SK6H4-44352-02 Крыльчатка водного насоса 6H4-44352-02

Под заказ

1

Под заказ

уточнить

Купить
4 SK61N-44323-00 Пластина помпы Skipper; Yamaha

В наличии

1

В наличии

уточнить

Купить
5 SK93210-06ME6 Кольцо уплотнительное тяги переключения передач 93210-06ME6

Под заказ

1

Под заказ

уточнить

Купить
6 SK61N-45251-01 Анод корпуса редуктора 61N-45251-01

Под заказ

1

Под заказ

уточнить

Купить
7 SK688-45341-10 Пробка сливная 688-45341-10

Под заказ

1

Под заказ

уточнить

Купить
8 SK61N-45510-00 Вал ведущий Skipper S; Yamaha

Под заказ

1

Под заказ

уточнить

Купить
9 SK61N-45510-10 Вал ведущий L 61N-45510-10

Под заказ

1

Под заказ

уточнить

Купить
10 SK90280-03M03 Шпонка крыльчатки помпы водного охлаждения 90280-03M03

Под заказ

1

Под заказ

уточнить

Купить
11 SK61N-45551-00 Шестерня ведущего вала Skipper; Yamaha

Под заказ

1

Под заказ

уточнить

Купить
12 SK90179-10M14 Гайка крепления шестерни ведущего вала 90179-10M14

Под заказ

1

Под заказ

уточнить

Купить
13 SK93332-00005 Подшипник шестерни переднего хода Skipper; Yamaha

Под заказ

1

Под заказ

уточнить

Купить
14 SK61N-45560-10 Шестерня переднего хода 61N-45560-10

Под заказ

1

Под заказ

уточнить

Купить
15 SK648-45635-00 Толкатель 648-45635-00

Под заказ

1

Под заказ

уточнить

Купить
16 SK664-45631-02 Шестерня переключения передач 664-45631-02

Под заказ

1

Под заказ

уточнить

Купить
17 SK90201-20417 Шайба подшипника поршня Skipper; Yamaha

Под заказ

1

Под заказ

уточнить

Купить
18 SK93306-00612 Подшипник шестерни заднего хода Skipper; Yamaha

Под заказ

1

Под заказ

уточнить

Купить
19 SK93210-64ME7 Кольцо уплотнительное обоймы гребного вала Skipper; Yamaha

Под заказ

1

Под заказ

уточнить

Купить
20 SK93315-22004 Подшипник игольчатый гребного вала Skipper; Yamaha

Под заказ

1

Под заказ

уточнить

Купить
21 SK93210-65M50 Кольцо уплотнительное обоймы гребного вала Skipper; Yamaha

Под заказ

2

Под заказ

уточнить

Купить
22 SK61N-45571-00 Шестерня заднего хода 61N-45571-00

Под заказ

1

Под заказ

уточнить

Купить

Нулевая цена не означает отсутствие товара. Оформите заказ, и менеджер сообщит вам цену и наличие товара, предварительно запросив их у поставщика

Главная Магазины
Корзина0
Профиль