Мы используем cookie для наилучшего представления нашего сайта. Подробнее об этом в Политике конфиденциальности.
Ок

Каспийск

Ваш город:
Каспийск (Республика Дагестан)?
Нет
Да
Каталог
Каталог Написать в WhatsApp
Мотоэкипировка

Редуктор лодочного мотора YAMAHA 75CETO/90AETO · 2002 — 2013

Редуктор лодочного мотора YAMAHA 75CETO/90AETO · 2002 — 2013 в Каспийске: актуальный каталог, цены, фото, описание. Купите редуктор лодочного мотора yamaha 75ceto/90aeto · 2002 — 2013 в кредит – оформите заявку онлайн за 1 минуту!

Оригинальные запчасти

Артикул НАИМЕНОВАНИЕ Кол-во деталей в узле Примечание Наличие Цена Аналоги Фото
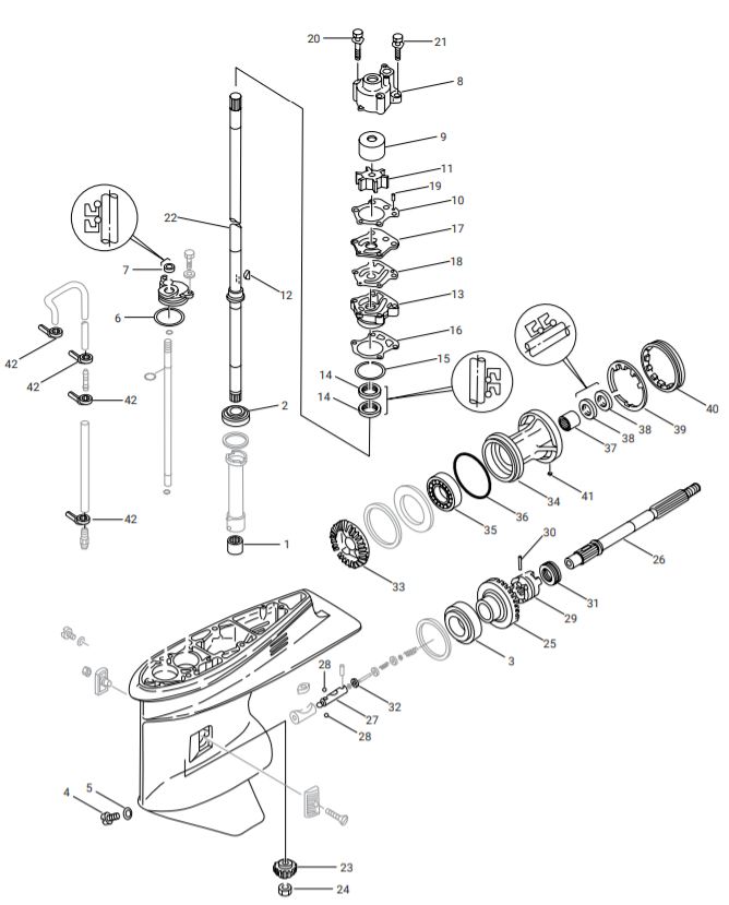
1 SK93315-325V1 Подшипник ведущего вала Skipper; Yamaha

Под заказ

1

Под заказ

уточнить

Купить
2 SK93332-000U3 Подшипник ведущего вала Skipper; Yamaha

Под заказ

1

Под заказ

уточнить

Купить
3 SK93332-000W7 Подшипник шестерни переднего хода 93332-000W7

Под заказ

1

Под заказ

уточнить

Купить
4 SK688-45341-10 Пробка сливная 688-45341-10

Под заказ

1

Под заказ

уточнить

Купить
5 SK93210-49046 Кольцо уплотнительное кронштейна тяги переключения 93210-49046

Под заказ

1

Под заказ

уточнить

Купить
6 SK93106-09014 Сальник тяги переключения 93106-09014

Под заказ

1

Под заказ

уточнить

Купить
7 SK688-44311-01 Корпус водного насоса 688-44311-01

Под заказ

1

Под заказ

уточнить

Купить
8 SK688-44322-00 Стакан крыльчатки Skipper; Yamaha

Под заказ

1

Под заказ

уточнить

Купить
9 SK688-44315-A0 Прокладка водного насоса 688-44315-A0

Под заказ

1

Под заказ

уточнить

Купить
10 SK688-44352-03 Крыльчатка Skipper STANDARD; Yamaha

Под заказ

1

Под заказ

уточнить

Купить
11 SK90280-04M04 Шпонка крыльчатки водного насоса 90280-04M04

Под заказ

1

Под заказ

уточнить

Купить
12 SK688-44341-01-94 Корпус водного насоса 688-44341-01-94

Под заказ

1

Под заказ

уточнить

Купить
13 SK93210-46044 Кольцо уплотнительное водного насоса 93210-46044

Под заказ

1

Под заказ

уточнить

Купить
14 SK688-44316-A0 Прокладка водного насоса 688-44316-A0

Под заказ

1

Под заказ

уточнить

Купить
15 SK688-44323-00 Пластина помпы Skipper; Yamaha

Под заказ

1

Под заказ

уточнить

Купить
16 SK688-44324-A0 Прокладка водного насоса 688-44324-A0

Под заказ

1

Под заказ

уточнить

Купить
17 SK6H1-45501-11 Вал ведущий L 6H1-45501-11

Под заказ

1

Под заказ

уточнить

Купить
18 SK688-45551-01 Шестерня ведущего вала 688-45551-01

Под заказ

1

Под заказ

уточнить

Купить
19 SK90170-16M01 Гайка крепления шестерни ведущего вала 90170-16M01

Под заказ

1

Под заказ

уточнить

Купить
20 SK688-45560-00 Шестерня переднего хода Skipper; Yamaha

Под заказ

1

Под заказ

уточнить

Купить
21 SK6H1-45611-01 Вал гребной 6H1-45611-01

Под заказ

1

Под заказ

уточнить

Купить
22 SK6H1-45634-02 Ползунок механизма переключения передач 6H1-45634-02

Под заказ

1

Под заказ

уточнить

Купить
23 SK6H1-45631-01 Шестерня переключения передач 6H1-45631-01

Под заказ

1

Под заказ

уточнить

Купить
24 SK90250-07M02 Стопор шестерни переключения передач 90250-07M02

Под заказ

1

Под заказ

уточнить

Купить
25 SK688-45633-00 Пружина переключения передач 688-45633-00

Под заказ

1

Под заказ

уточнить

Купить
26 SK6H1-45571-00 Шестерня заднего хода 6H1-45571-00

Под заказ

1

Под заказ

уточнить

Купить
27 SK688-45331-00-94 Обойма гребного вала 688-45331-00-94

Под заказ

1

Под заказ

уточнить

Купить
28 SK93306-207U0 Подшипник шестерни заднего хода 93306-207U0

Под заказ

1

Под заказ

уточнить

Купить
29 SK93210-85M97 Кольцо уплотнительное обоймы гребного вала Skipper; Yamaha

Под заказ

1

Под заказ

уточнить

Купить
30 SK93317-325U0 Подшипник игольчатый гребного вала 93317-325U0

Под заказ

1

Под заказ

уточнить

Купить
31 SK688-45383-02 Шайба гайки крепления обоймы гребного вала 688-45383-02

Под заказ

1

Под заказ

уточнить

Купить
32 SK688-45384-00 Шайба упорная Skipper; Yamaha

Под заказ

1

Под заказ

уточнить

Купить
33 SK90282-04010 Шпонка обоймы гребного вала 90282-04010

Под заказ

1

Под заказ

уточнить

Купить
34 SK90465-11M10 Хомут 90465-11M10

Под заказ

4

Под заказ

уточнить

Купить

Нулевая цена не означает отсутствие товара. Оформите заказ, и менеджер сообщит вам цену и наличие товара, предварительно запросив их у поставщика

Главная Магазины
Корзина0
Профиль