Мы используем cookie для наилучшего представления нашего сайта. Подробнее об этом в Политике конфиденциальности.
Ок

Каспийск

Ваш город:
Каспийск (Республика Дагестан)?
Нет
Да
Каталог
Каталог Написать в WhatsApp
Мотоэкипировка

Редуктор лодочного мотора YAMAHA 9.9 — 15FMH · 2005 — 2014

Редуктор лодочного мотора YAMAHA 9.9 — 15FMH · 2005 — 2014 в Каспийске: актуальный каталог, цены, фото, описание. Купите редуктор лодочного мотора yamaha 9.9 — 15fmh · 2005 — 2014 в кредит – оформите заявку онлайн за 1 минуту!

Оригинальные запчасти

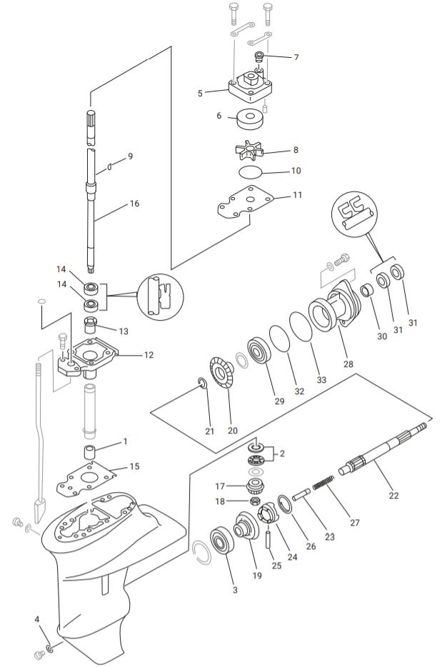
Артикул НАИМЕНОВАНИЕ Кол-во деталей в узле Примечание Наличие Цена Аналоги Фото
1 SK93315-314V8 Подшипник игольчатый ведущего вала Skipper; Yamaha

Под заказ

1

Под заказ

уточнить

Купить
2 SK93341-41414 Подшипник шестерни ведущего вала Skipper; Yamaha

Под заказ

1

Под заказ

уточнить

Купить
3 SK93332-00005 Подшипник шестерни переднего хода Skipper; Yamaha

Под заказ

1

Под заказ

уточнить

Купить
4 SK63V-44301-00 Корпус водного насоса в сборе 63V-44301-00

Под заказ

1

Под заказ

уточнить

Купить
5 SK63V-44322-00 Стакан крыльчатки Skipper; Yamaha

Под заказ

1

Под заказ

уточнить

Купить
6 SK647-44366-00 Втулка водного насоса 647-44366-00

Под заказ

1

Под заказ

уточнить

Купить
7 SK63V-44352-01 Крыльчатка Skipper STANDARD; Yamaha

Под заказ

1

Под заказ

уточнить

Купить
8 SK63V-44338-00 Шпонка крыльчатки водного насоса 63V-44338-00

Под заказ

1

Под заказ

уточнить

Купить
9 SK93210-44398 Кольцо уплотнительное корпуса помпы Skipper; Yamaha

Под заказ

1

Под заказ

уточнить

Купить
10 SK63V-44323-00 Пластина помпы Skipper; Yamaha

Под заказ

1

Под заказ

уточнить

Купить
11 SK63V-45331-00-5B Корпус подшипника ведущего вала 63V-45331-00-5B

Под заказ

1

Под заказ

уточнить

Купить
12 SK90381-14020 Втулка корпуса подшипника ведущего вала 90381-14020

Под заказ

1

Под заказ

уточнить

Купить
13 SK63V-45315-A0 Прокладка пластина помпы Skipper; Yamaha

Под заказ

1

Под заказ

уточнить

Купить
14 SK63V-45510-01 Вал ведущий Skipper S; Yamaha

Под заказ

1

Под заказ

уточнить

Купить
15 SK63V-45510-11 Вал ведущий для длины дейдвуда L 63V-45510-11

Под заказ

1

Под заказ

уточнить

Купить
16 SK63V-45551-00 Шестерня ведущего вала Skipper; Yamaha

Под заказ

1

Под заказ

уточнить

Купить
17 SK90179-08M06 Гайка крепления шестерни ведущего вала 90179-08M06

Под заказ

1

Под заказ

уточнить

Купить
18 SK6E7-45560-01 Шестерня переднего хода 6E7-45560-01

Под заказ

1

Под заказ

уточнить

Купить
19 SK6E7-45571-00 Шестерня заднего хода 6E7-45570-00, 6E7-45571-00

Под заказ

1

Под заказ

уточнить

Купить
20 SK90201-17682 Шайба шестерни заднего хода 90201-17682

Под заказ

1

Под заказ

уточнить

Купить
21 SK683-45611-00 Вал гребной Skipper; Yamaha

Под заказ

1

Под заказ

уточнить

Купить
22 SK650-45635-00 Толкатель 650-45635-00

Под заказ

1

Под заказ

уточнить

Купить
23 SK682-45631-00 Шестерня переключения передач Skipper; Yamaha

Под заказ

1

Под заказ

уточнить

Купить
24 SK90501-14M06 Пружина толкателя 90501-14M06

Под заказ

1

Под заказ

уточнить

Купить
25 SK683-45361-02-4D Обойма гребного вала в сборе 683-45361-02-4D

Под заказ

1

Под заказ

уточнить

Купить
26 SK93306-00501 Подшипник шестерни переднего хода Skipper; Yamaha

Под заказ

1

Под заказ

уточнить

Купить
27 SK93315-317U2 Подшипник игольчатый гребного вала для Yamaha_Hidea_Marlin_Parsun_Sea-Pro_ 9.9-15, F8-20

В наличии

1

В наличии

1 570

2 590

Купить
28 SK93210-57M09 Кольцо уплотнительное обоймы гребного вала Skipper; Yamaha

Под заказ

1

Под заказ

уточнить

Купить
29 SK93210-56M80 Кольцо уплотнительное обоймы гребного вала Skipper; Yamaha

Под заказ

1

Под заказ

уточнить

Купить

Нулевая цена не означает отсутствие товара. Оформите заказ, и менеджер сообщит вам цену и наличие товара, предварительно запросив их у поставщика

Главная Магазины
Корзина0
Профиль