Мы используем cookie для наилучшего представления нашего сайта. Подробнее об этом в Политике конфиденциальности.
Ок

Каспийск

Ваш город:
Каспийск (Республика Дагестан)?
Нет
Да
Каталог
Каталог Написать в WhatsApp
Мотоэкипировка

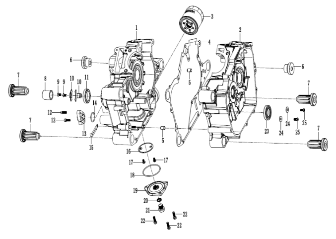
Картер МОТОЦИКЛА BENDA ROCK 300

Оригинальные запчасти

Артикул НАИМЕНОВАНИЕ Кол-во деталей в узле Примечание Наличие Цена Аналоги Фото
1 258V0.111210 Картер в сборе,лев.

Под заказ

1

Под заказ

уточнить

Купить
2 258V0.111110 Картер в сборе,прав.

Под заказ

1

Под заказ

уточнить

Купить
3 26700.112400 Фильтр масляный BENDA Chinchilla 300-500/Funrider 125/Rock 300, Napoleon 500

В наличии

1

В наличии

1 450

2 440

показать аналоги Купить
4 258V0.111001 Прокладка,картер

Под заказ

1

Под заказ

уточнить

Купить
5 00001.100014 Фиксирующий штифт 10×14

Под заказ

2

Под заказ

уточнить

Купить
6 258V0.100001 Втулка,сталь,отверстие для подвески

Под заказ

2

Под заказ

уточнить

Купить
7 258V0.100200 Втулка,резиновая,отверстие для подвески

Под заказ

4

Под заказ

уточнить

Купить
8 26700.160003 Втулка,приводная звезда

Под заказ

1

Под заказ

уточнить

Купить
9 00819.060121 Винт,потупающий,6x12

Под заказ

2

Под заказ

уточнить

Купить
10 258V0.111102 Пластина,подшипник

Под заказ

2

Под заказ

уточнить

Купить
11 0D871.304508 Сальник BENDA Chinchilla 300

Под заказ

1

Под заказ

уточнить

580

Купить
12 00070.060200 Болт,гнездо,6x20

Под заказ

2

Под заказ

уточнить

Купить
13 258V0.166000 Индикатор комп.,шестерня

Под заказ

1

Под заказ

уточнить

Купить
14 26700.160013 Уплотнительное кольцо, 26x2,5

Под заказ

1

Под заказ

уточнить

Купить
15 26700.112002 Зажим,переливная труба

Под заказ

1

Под заказ

уточнить

Купить
16 258V0.111220 Комплект фильтра, моторное масло

Под заказ

1

Под заказ

уточнить

Купить
17 26700.193010 Болт-пружинная шайба,5x8

Под заказ

2

Под заказ

уточнить

Купить
18 258V0.111201 Уплотнительное кольцо,60x2,5

Под заказ

1

Под заказ

уточнить

Купить
19 258V0.111202 Крышка масляного фильтра

Под заказ

1

Под заказ

уточнить

Купить
20 26700.112104 Шайба сливной пробки масла Benda

В наличии

1

В наличии

250

360

Купить
21 26700.113002 Болт,сливная пробка,14mm

Под заказ

1

Под заказ

уточнить

Купить
22 05787.060200 Болт,фланец,6x20

Под заказ

3

Под заказ

уточнить

Купить
23 00276.160050 Подшипник,25x47x8

Под заказ

1

Под заказ

уточнить

Купить
24 26700.160015 Пластина,подшипник барабана переключения передач

Под заказ

2

Под заказ

уточнить

Купить
25 00818.060120 Винт,контурная головка,6x12

Под заказ

2

Под заказ

уточнить

Купить

Нулевая цена не означает отсутствие товара. Оформите заказ, и менеджер сообщит вам цену и наличие товара, предварительно запросив их у поставщика

Главная Магазины
Корзина0
Профиль